logo
  • 行业新闻2019.11.07
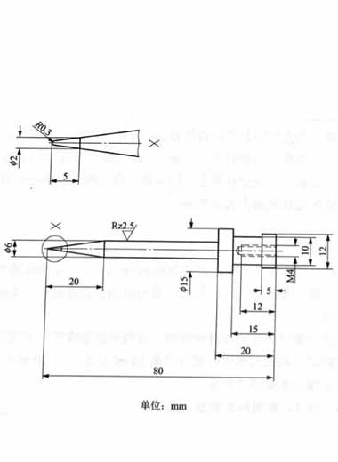
    注射剂用胶塞、垫片穿刺落屑测定法
    穿刺落屑是指在穿刺试验中,穿刺器刺透胶塞或垫片所产生的,在没有放大工具帮助下观察到的可见落屑数,以落屑数量计。本法适用于注射剂用胶塞、垫片穿刺落屑的测 定。
  • 行业新闻2019.11.07
    注射剂用胶塞、垫片穿刺力测定法
    穿刺力是指在穿刺试验中,穿刺器刺透胶塞或垫片的最大力值,用牛顿(N)表示。本法适用于注射剂用胶塞、垫片穿刺力的测定。
  • 行业新闻2019.11.07
    聚丙烯改性塑料的收缩率浅析

    PP聚丙烯改性料的收缩率控/制是聚丙烯改性的一个重要方面。收缩率控/制的好对聚丙烯改性料的推广使用有重要意义,同时也是保证产品质量的一个重要方面。特别是应用改性聚丙烯取代传统的工程塑料,收缩率这一点显得十分重要。


  • 行业新闻2019.11.07
    浙江省医药包装药用辅料行业协会2019年度会长会议顺利召开
    2019年10月25日,浙江省医药包装药用辅料行业协会2019年度会长会议在新昌召开。协会会长杨德明、秘书长俞辉、原会长李惠兰、各会长单位负责人及代表等20多人参加了会议。本次会议由协会秘书长俞辉主持。
  • 行业新闻2019.10.21
    关于药用玻璃材料和容器通则国家药包材标准草案的公示(第二次)
    我委拟制定药用玻璃材料和容器通则国家药包材标准,为确保标准的科学性、合理性和适用性,现将拟制定药用玻璃材料和容器通则国家药包材标准第二次公示征求社会各界意见(详见附件)。公示期为一个月。请相关单位认真研核,若有异议,请及时来函提交反馈意见,并附相关说明、实验数据和联系方式。来函需加盖公章,收文单位为“国家药典委员会办公室”,同时将公函扫描件电子版发送至指定邮箱。公示期满未回复意见即视为对公示标准草案无异议。
  • 行业新闻2019.09.11
    铝盖团体标准征求意见会议圆满结束
    浙江省医药包装药用辅料行业协会于9月11日在杭州召开了《铝盖团体标准征求意见》的座谈会
有关咨询和合作的问题,请点击此处
注:咨询时间,周一-周五:9:00-18:00
立即咨询